LiFePO4

Hier wird es zuerst etwas (elektro)technisch.  Lächelnd

Nach meinem Wissensstand sind die Lithum-Ionen-Eisen-Phosphor-Oxyd-Akkus die sichersten aus der Familie der Lithiumionen Akkus, Der Grund liegt darin, dass bei der Ladung weder Wasserstoff noch metallisches Lithium entstehen.

Die Vorteile sind  ihre Schnellladefähigkeit, kleiner Innenwiderstand (= hohe Entladeströme) und die hohe Lebenserwartung.
Im Fall der verwendeten ANR26650M1A Zellen von A123 Systems liegt der nominale Ladestrom bei 1,3C, die Kapazität nach 1.000 Zyklen bei ca. 90%. Die Belastung bei der Entladung liegt bei dieser Anwendung (Entladestrom immer unter 2C) weit unter den möglichen 30C. Der Akku wird also sowohl beim Laden, als auch beim Fahren, im Schongang betrieben. Weshalb die erwartete Zyklenzahl doch um einiges höher liegen sollte.

"C" ist übrigens die Kapazität pro Stunde, also Ah/h, jener Strom, bei dem der Akku in 1 Stunde ge-, bzw. entladen wird, oder werden darf.

Natürlich wird einem im Leben nichts geschenkt, die Zellen haben auch Nachteile. Zum Einen haben sie eine geringere Spannung (3,3V statt 3,6V wie ihre Geschwister) und sie brauchen bei gleicher Kapazität etwas mehr Platz. Wie es mit dem Gewicht aussieht, darum habe ich mich noch nicht gekümmert.
Die etwas niedrigere Spannung machen sie größtenteils wett durch hohe Spannungskonstanz bis kurz vor dem Ende ihrer Kapazität.

Ach ja, sind auch noch ziemlich teuer.

Details zum Lithium-Eisen-Phosphat-Akkumulator gibt es auch in der Wikipedia.

Detaillierte Informatioen über die Li-Ionen-Technologie gibt es hier.

 

Das (erste) Akkupack

Das Akku-Pack wurde im März 2009 von Akku Mäser in Dornbirn zusammengebaut und eingeschrumpft. Es besteht aus 40 Stück der oben genannten Zellen, verschaltet als 5p8s, was 26,4 V Nennspannung und 11.5 Ah Kapazität ergeben sollte. Die nutzbare Kapazität liegt aber nur bei max. 10,5 Ah. Das liegt hauptsächlich daran, dass der Tiefentladeschutz der Flyer-Elektronik schon bei 22 V eine weitere Entladung verhindert. Dieser Wert passt zum Original-Akku (Li-Ionen-Mn), Li-ION-FePO4-Zellen könnten bis 2,1V entladen werden, das ganze Pack also bis 16,8V.

Für die Wissenschaft muss man Opfer bringen Lächelnd
Nachdem ich im Jänner  2011 von einem kleinen Gerät gehört hatte, dass die Spannungen der einzelnen Zellen eines Akkupacks nicht nur anzeigen, sondern auch protokollieren kann, hat es mich in den Fingern gejuckt, ein solches Ding anzuschaffen. Das Jucken wurde mit der Zeit unerträglich und so habe ich ihm dann nachgegeben.

Das Ding heißt CellLog 8S und wird von der Firma Shenzhen Junsi Electronic Co., Ltd  produziert.
Bestellt habe ich es hier.

So sieht es aus:

 

CellLog 8S

 

Für seine 18 g Gewicht ist der Zwerg ganz schön mächtig.
Mehrere verschiedene Anzeigemodi, ein Piepser, der bei sehr vielen verschiedenen Bedingungen Laut geben kann, und ein Schaltausgang gehören zu seinen Fähigkeiten.

Auf dem obigen Bild kann man sehen, dass die Spannung des Akkupacks 27,50 V beträgt, die Zelle mit der Nummer 7 die höchste (3,462 Volt) und die Zelle 3 die niedrigste Spannung (3,424 V) hat, und die Spannungsdifferenz dieser beiden Zellen 38 mV beträgt.
Die Spannungen aller 8 Zellen werden in diesem Anzeigemodus als Balkendiagramm dargestellt.

Mit dem Freeware-Programm LogView lassen sich die Daten über die USB-Schnittstelle auslesen und als Diagramme darstellen.

Diagramme gibt es hier erst, wenn es wärmer geworden ist, und die ersten Radausflüge stattgefunden haben.

Hier ein Log der ersten Ausfahrt:
Von Zuhause zu Fahrrad Pur und zurück (mit einem ziemlich langen Aufenthalt)

 

Gross Start-1 Stopp-1 Start-2 Stopp-2

Ein Klick in die Bildmitte öffnet eine größere Ansicht.

Vier weitere Bilder sind verfügbar:
Beginn und Ende der ersten und der zweiten Strecke.
Angezeigt werden diese durch einen Klick auf die jeweiligen Bereiche im obigen Bild.

Die violette Linie stellt die Gesamtspannung des Packs dar, die zugehörige Skala ist die linke, die anderen Farben stehen für die Spannung der 8 einzelnen Zellenblöcke.

 

Hier das Log des ersten kompletten Ladevorgangs:

Start des Ladevorgangs Balanzierungsphase Abklingen nach dem Laden Kompletter Ladevorgang

Ein Klick auf den roten Stern öffnet ein größere Ansicht.
Drei weiter Bilder sind verfügbar:
Start des Ladevorgangs, Balanzierungsphase, und Abklingvorgang nach Ladeende.

So wie die Kurven der einzelnen Zellen während der Balanzierungsphase durcheinanderwirbeln, kann ich nicht mehr so recht daran glauben, dass die verbauten Zellen alle aus der selben Charge stammen.

 

Das (erste) Ladegerät

Die Schnellladefähigkeit des Akkus ist das Eine, ein Ladegerät mit entsprechender Leistung, bei möglichst geringem Gewicht das Andere. Beides ist notwendig, um das zu verwirklichen, was ich eigentlich wollte, nämlich einen Akku, der nicht wie das Original 6 Stunden braucht, um voll geladen zu werden, sondern weniger als 1 Stunde. Also eine unbegrenzte Reichweite, wenn man bereit ist, etwa alle 60 km eine Stunde Pause zu machen, um Ross und Reiter zu laben.

Meine Wahl fiel auf ein KOP-602-24V von Piktronik.
500 W, voll programmierbar, bis zu 5 Ladephasen, Maximalspannung 33 V, Maximalstrom 17A.
Masse: 2,2 kg.
Das Gerät erfüllt seine Aufgabe zur vollsten Zufriedenheit, geärgert hat mich nur, dass, zum an sich akzeptablen Preis, für die Programmiersoftware und den Adapter noch einmal derselbe Betrag dazu kam.
Von den 5 Ladephasen verwende ich 3, von den max. 17 A nur 15.
Das Ladeverfahren ist wie üblich CCCV (Constant Current, Constant Voltage).

 
 Phase 1Phase 2Phase 3
Max. Ladespannung [V]29,4029,4031,00*
Max. Ladestrom [A]15,004,001,50
Min. Ladestrom [A]4,001,501,00
Ladephase beenden bei:I < I minI < I min Zeit
Kontroll LEDs. blinkendl. blinkendon
* die nie erreicht werden!

 

Hier das Diagramm eines Ladeprotokolls:
(Übrigens der Selbe wie weiter oben als Cell-Log dargestellt)

Ladediagramm

Auf das Bild klicken für eine größere Version.

 

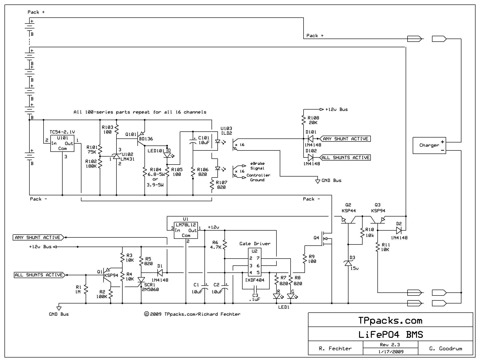
Das Batterie Management System (BMS)

Das Laden von in Serie geschalteten Zellen is keine triviale Sache. Besonders dann, wenn sie, wie alle Li-Ionen-Akkus, auf Überschreitung ihrer Ladeschlussspannung sehr empfindlich reagieren.
Dabei werden nämlich alle Zellen vom gleichen Strom durchflossen, die angelegte Spannung teilt sich auf die Zellen auf. Wieviel jede Einzelne davon abbekommt, hängt von ihrem Ladezustand und ihrem Innenwiderstand ab. Auch wenn sich die Zellen gleichen wie ein Ei dem anderen, so sind sie eben doch nicht gleich. (Die Eier übrigens auch nicht)
Um zu verhindern, dass schon volle Zellen überladen werden, während andere noch nicht so weit sind, ist es notwenig, die Zellen auszubalanzieren. Eine Möglichkeit besteht darin, die Spannung jeder Zelle zu überwachen und bei Erreichen der Ladeschlussspannung den Ladestrom über einen Nebenwiderstand (Shunt) an dieser Zelle vorbei zu führen. Und das eben so lange, bis auch die letzte voll ist.
Im Wesentlichen gibt es für jede Zelle einen Spannungsfühler, einen Transistor, der den Shunt zuschaltet und eine LED, die anzeigt, dass diese Zelle voll ist.

Also ging ich auf die Suche nach einem Balancer. Fündig wurde ich in einem amerikanischen Web-Forum, in welchem eifrig über: "Even Newer 4 to 24-cell Battery Management System (BMS)" diskutiert wurde. Da gibt es ein paar sehr engagierte Bastler, die entwicklen, testen, Leiterplatten entwerfen und fertigen lassen, und auch Leuten mit zwei linklen Händen helfen, ihr BMS zum Laufen zu bringen. Das dort diskutierte Produkt verfügt nicht nur über eine Ladekontrolle, sonden auch über einen Tiefentladeschutz (den in meinem Anwendungsfall die Elektronik des Flyers übernommen hätte).
Damals war die aktuelle Version 2.3 (für Interessierte gibt es hier die Schaltung und den Bestückungsplan), inzwischen wird an Version 4.x gearbeitet, und zwar an zwei verschiedenen Varianten. Die eine verwendet herkömmliche Elektronik für die Überwachung des Ladevorgangs, die andere verwendet CellLogs (siehe "Das Akkupack" weiter oben in diesem Kapitel).

Also Leiterplatte bestellt, Bauteile von Mouser (einige Bauteile habe ich leider bei den mir bekannten Elektronikversendern nicht gefunden) bestellt und fleißig gelötet.

Die Schaltung musste ich  modifizieren, weil das Ladegerät nicht damit klarkommt, dass das BMS den Ladestrom unterbricht, sobald eine Zelle ihre Ladeschlussspannung erreicht.
(Diese wird dann über einen Parallelwiderstand solange entladen, bis die Zellenspannung wieder unter der Ladeschlussspannung liegt, worauf der Ladestrom wieder eingeschaltet wird. Dieser Vorgang wird so lange wiederholt, bis alle Zellen ihre Ladeschlussspannung erreicht haben.)

Die Modifikation der Schaltung bestand darin,  das Unterbrechen des Ladestromes zu verhindern, was aber unbedingt erfordert, dass der Ladestrom unter 1,5A liegt, wenn die erste Zelle ihre 3,6V erreicht. Da Ladegrät und BMS nicht miteinander kommunizieren können, war es notwendig, für das Ladegerät  eine Prozedur zu finden, die das sicherstellt.
Und da liegt der Schwachpunkt des "Systems".
Die Unzufriedenheit mit dieser Lösung führte dann später  zur Anschaffung einer professionellen Ladeelektronik.

Noch ein Gehäuse aus Acrylglas mit Lüfter drum herum gebaut, und so schaute das Ergebnis aus:

 

BMS in Aktion

 

Im März 2011 bekam das Gehäuse sogar eine Seitenwand (mit vielen, vielen Löchern) und die Kabel hängen seither nicht mehr einfach aus dem Gehäuse, sondern sind sauber befestigt und zugentlastet.

 

Kabelauslässe

 

Das zweite Akkupack

...wurde im Juli 2013 von  Lipopower in D-96317 Kronach (http://shop.lipopower.de/)  zusammengebaut und besteht wieder aus 40  Zellen, diesmal dem Nachfolger der im ersten Pack verwendeten, den A123 ANR26650M1B (B-Ware) mit  2.500mAh pro Zelle.

Die wesentlichen Unterschiede: 2.500mAh statt 2.300 und empfohlener Ladestrom 1C statt 1,3C.

Wie sich später herausstellen sollte, war fast die ganze Kapazität von 12.5 Ah nutzbar.

Roland Bär, der das Pack gefertigt hat, hat mich laufend über die aktuellen Fertigungsschritte informiert und mir auch einige Bilder zukommen lassen:

 

Zellenselektion

 "Ich habe heute angefangen, die benötigten Akkus zu selektieren.
Sie haben einen Innenwiderstand von 8,6 +-0,1mOhm, liegen also sehr,
sehr nahe  beieinander".

 

Pack mit Verbindern

"Die seriellen Verbindungen zwischen den 5-P-Blöcken sind 5-fach
ausgeführt, die seriellen bei den + /- Anschlüssen 3-fach."

 

Pack mit Anschlusskabeln

Das Pack vor dem Einschrumpfen.

 

 Typenschild

 Das Typenschild

 

Das folgende Diagramm zeigt die erste Ladung des Packs. Da die Zellen bei der Montage nicht leer waren, nicht von Null auf Voll, sondern etwa von 2/3 auf Voll.

Ladediagramm

 

 

Das zweite Ladegerät

Junsi iCharger 3010B.
Sieht hier größer aus, als es ist.

  Junsi iCharge 3010B

Dieses Gerät sollte mit meinen Akkus pfleglicher umgehen, als es mit der alten Methode möglich war.
Auch die Erstladung des neuen Akku-Packs ist mit einem iCharger 3010B erfolgt, also sollte er sich in Zukunft wie zu Hause fühlen.
Lächelnd

Außer dem Laden verschiedenster Akkutypen kann das Gerät auch alle interessanten Parameter während des Ladevorgangs mitloggen.

Wie im Modellflugbereich üblich, versorgt es sich nicht aus der Steckdose, sondern aus Gleichstromquellen mit Niederspannung.

 

Seine Stromversorgung:

Chargery Power Netzteil S600 V2, 10-18V, 33A

Netzteil Chargery S600

Hier gibt es einen reichlich bebilderten Test, allerdings der 6-15V, 40A Version.

 

Als ich die beiden Geräte Anfang Jänner 2014 erhielt, hätte ich natürlich gerne etwas zu Laden gehabt. Der eine Akku war voll, aber dem anderen hatte ich bei der letzten Ausfahrt im Herbst etwa 2Ah entzogen. Das war immerhin mehr als nichts. Also wurde er in aller Ruhe vollgeladen.

Diagramm Ergänzungsladung


Jetzt hatte ich also zwei volle Akku-Packs, für eine Radtour war es aber noch viel zu kalt (mir wenigstens). Der Winter ist noch lange nicht vorbei, er hatte noch nicht einmal richtig angefangen. Die Akkus müssen also noch einige Zeit auf ihren ersten Einsatz in diesem Jahr warten. Was sie bekanntermaßen nicht in vollgeladenem Zustand tun sollten. Das Ladegerät hat für solche Situationen ein Programm namens STORE, welches Akku-Packs auf ihre Nennspannung lädt bzw. entlädt. Im Fall von LiFePO4 auf 3,3V mal Zellenanzahl. Wenn eine Entladung notwendig ist, wird die elektrische Energie im Gerät in Wärme umgewandelt. Die maximale Entladeleistung liegt bei 80W, der Vorgang kann sich daher etwas in die Länge ziehen.


Diagramm Enladung auf Lagerungszustand


Die beiden Akkus warten jetzt, genau wie ich, auf den Frühling.

 

Manchmal trifft man ganz unverhofft auf eine Stromquelle, wie hier beim Tag der  offenen Tür beim
Kraftwerk am Illspitz, wo in einem unverschlossenen Verteiler noch eine Steckdose frei war.  Lächelnd

 

Bin am Laden 

Das "Drumherum"

Die Ladezustandsanzeige des Flyers kann natürlich nicht mehr funktionieren, weil die Steuerungselektronik nicht mit dem Batteriepack kommunizieren kann. Nur die letzte LED leuchtet, was aber nicht "Kapazität bis auf ein Drittel verbraucht" bedeutet, sondern "Communication Error".  Wie diese Kommunikation normalerweise abläuft, konnte ich nicht in Erfahrung bringen und deshalb auch nicht implementieren. Die Informationen, über die am Display angezeigten Fehlermeldungen, stammen aus einer Beschreibung zu einem Kalkhoffrad mit Panasonicantrieb.
Biketec hat mich hier im Regen stehen lassen.Traurig

Wie bereits früher erwähnt, haben die verwendeten LiFePO4-Zellen eine fast waagrechte Entladekennlinie, bis diese dann kurz vor dem Ende steil abfällt. Das bedeutet, dass wenn die letzte LED der Ladezustandsanzeige zu blinken beginnt, der Rest nur noch für zwei bis drei Kilometer reicht (beim Originalakku sind es noch etwa 10 Km) und auch die Beleuchtung nur mehr wenige Minuten versorgt werden kann. Diese inakzeptabel kurze Vorwarnzeit verlangt nach einer Messung des tatsächlichen Verbrauchs.

Auf der Suche nach einem Amperestundenzähler bin ich auf  WattsUp gestoßen. Um es gleich vorwegzunehmen, ich kann dieses Gerät nicht weiterempfehlen.

Das Gerät zeigt Spannung, Strom und Leistung dauernd an, in einer vierten Anzeige werden abwechselnd Amperestunden, Wattstunden, Spitzenstrom, Minimalspannung und Spitzenleistung angezeigt. Mehr braucht man wirklich nicht. Diese Daten möchte ich natürlich während der Fahrt im Auge behalten, deshalb muss das Gerät irgendwo am Lenker angebracht werden (tatsächlich landete es dann auf dem Oberrohr). Um den Fahrstrom auf dem ganzen Rahmen spazieren führen zu müssen (Spannungsabfall in den Leitungen) musste der Messwiderstand aus dem Gerät entfernt und direkt in die Leitung von der Batterie zum Motor integriert werden. Für den Kauf dieses Gerätes habe ich mich entschieden, weil ich auf den Seiten des Herstellers eine Anleitung gefunden habe, wie ein externer Shunt verwendet werden kann. Diese Anleitung ist leider falsch / unvollständig. Nach einigen Versuchen musste ich dann folgenden Kompromiss eingehen:
Leitung zwischen Messwiderstand und Messgerät möglichst kurz, um den unvermeidlichen Anzeigefehler klein zu halten. Ich konnte mich entscheiden, ob ich etwa 250 mA zu wenig oder zu viel angezeigt bekomme. Ich habe mich für die erste Variante entschieden, damit nicht im Stillstand fälschlicherweise eine Entladung erkannt wird.

Natürlich war durch diese Manipulation auch ein neues Gehäuse fällig.

WattsUp im neuen Gehäuse

Das Messgerät ist auf dem vorderen Teil des Oberrohres befestigt, der Messwiderstand steckt in einem kurzen Kabeslstück, das unter dem Sattel in die Leitung eingeklinkt wird. Für die Verkabelung habe ich 4 mm² Lautsprecherkabel verwendet, für die Steckverbindungen durchgängig "geschlechtslose" Anderson Power Poles für 30 A.

Ein Problem, eine Herausforderung war der Stecker. Nachdem es mir nicht gelungen war, ein originales Batteriegehäuse aufzutreiben, um daraus den Stecker aus zu bauen, blieb mir nichts anderes übrig, als selber einen zu fertigen. Die Kontaktzungen am Flyer schienen inkompatibel zu jeder Norm zu sein, schließlich fand ich dann aber doch Stecker, die passten (bei Mouser in den USA). Das Gehäuse besteht aus drei Plexiglasplatten, in der mittleren (die unterteilt ist in eine obere und eine untere Hälfte) sind die Ausnehmungen für die Steckkontakte und das Kabel eingearbeitet. Dieses möglichst passgenau, weil die Stecker ziemlich stramm sitzen und daher beim Aus- und Einstecken ziemliche Kräfte übertragen werden müssen.

Nach ein paar Dutzend Stunden Sägen, Feilen, Bohren, Schleifen und Gewinde-schneiden sieht er nun so aus:

Stecker

 

 

 

 

 

 

 

 

 

 

 

 

 

Und das alles muss jetzt noch auf's Rad. Aber wie?

Der erste Versuch war, eine Kunststoffbox auf eine Pletscher-Platte zu montieren und auf dem Pletscher-Gepäckträger zu befestigen.  Das ganze sah nicht sehr elegant aus, ebenso wenig wie das Auf- und Absteigen. Es passiert sehr schnell, dass man beim Absteigen vergisst, das Bein höher als üblicherweise notwenig zu heben. Das Rad steht, das rechte Bein hängt an der Kiste auf dem Gepäckträger fest, die Folge ist ein (schmerzhafter) Ganzkörperbodenkontakt.
Außerdem veränderte sich das Fahrverhalten durch die Verschiebung des Schwerpunktes auf unangenehme Weise.

 

Beim zweiten, und bisher letzten Versuch, habe ich das ganze Zeug in eine Tour Box von Ortlieb gepackt (nicht mehr im Programm). Sieht ziemlich klobig aus, ist in Wirklichkeit auch zu groß, bietet aber viel Platz für die Schaumstoffpolsterung. Zur Versteifung der Box habe ich das Ladegerät auf ein Kistchen montiert, das als Skelett seitliches Quetschen der Innereien verhindern soll, und außerdem als Behälter für die Kabel des Ladegeräts dient.

 

Ideal wären zwei maßgeschneiderte Boxen. Zur besseren Gewichtsver-teilung, viel  besserem Handling und natürlich auch aus Gründen der Optik.

Flyer mit Ortlieb-Koffer
 
 
 
 

 

Manfred Alfarés Homepage